Abel
1. Logik-Beschreibungssprache
Advanced Boolean Expression Lanaguage (ABEL) is a high-level language (HDL) and compilation system owned and maintained by XILINX.
D:\fh\praktikum\digitaltechnik_4sem\index.pdf
abl2edif: version M1.5.25 -- Xilinx ABEL Software
Copyright (c) 1996 Xilinx Inc. All Right Reserved.
2. Beispiele
2.17-Segment-Anzeige
D:\fh\praktikum\digitaltechnik_4sem\v4\XILINX\ABL\ZU_V42
module Seg7dec title '7Segment' declarations A0 PIN; A1 PIN; A2 PIN; A3 PIN; SEG0 PIN istype 'reg'; SEG1 PIN istype 'reg'; SEG2 PIN istype 'reg'; SEG3 PIN istype 'reg'; SEG4 PIN istype 'reg'; SEG5 PIN istype 'reg'; SEG6 PIN istype 'reg'; equations SEG0 = (!A0# A1# A2# A3) & ( A0# A1#!A2# A3) & (!A0#!A1#!A2# A3) & ( A0#!A1# A2#!A3) & (!A0#!A1#!A2#!A3); SEG1 = ( A0#!A1# A2# A3) & ( A0# A1#!A2#!A3) & ( A0#!A1#!A2#!A3) & (!A0#!A1#!A2#!A3); SEG2 = (!A0# A1# A2# A3) & (!A0#!A1# A2# A3) & ( A0# A1#!A2# A3) & (!A0# A1#!A2# A3) & (!A0#!A1#!A2# A3) & (!A0# A1# A2#!A3); SEG3 = ( A0# A1# A2# A3) & (!A0# A1# A2# A3) & (!A0#!A1#!A2# A3) & ( A0# A1#!A2#!A3); SEG4 = (!A0# A1#!A2# A3) & ( A0#!A1#!A2# A3) & (!A0#!A1# A2#!A3) & ( A0# A1#!A2#!A3) & ( A0#!A1#!A2#!A3) & (!A0#!A1#!A2#!A3); SEG5 = (!A0# A1# A2# A3) & ( A0#!A1# A2# A3) & (!A0#!A1# A2# A3) & (!A0#!A1#!A2# A3) & (!A0# A1#!A2#!A3); SEG6 = (!A0# A1# A2# A3) & ( A0# A1#!A2# A3) & (!A0#!A1# A2#!A3) & (!A0# A1#!A2#!A3); end Seg7dec
2.2Multiplexer
module V043 Title 'MUX' declarations A PIN; B PIN; C PIN; Y PIN istype 'reg'; Z PIN istype 'reg'; V PIN istype 'reg'; S PIN istype 'reg'; aIn = [A,B,C]; aOut = [Y,Z,V,S]; equations when (!A & !B & !C) then aOut=[0,0,0,0] else when (A & !B & !C) then aOut=[1,0,0,0] else when (A & B & !C) then aOut=[0,1,0,0] else when (A & B & C) then aOut=[0,0,1,0] else aOut=[0,0,0,1] test_vectors ([A,B,C] -> [Y,Z,V,S]) [0,0,0] -> [0,0,0,0]; [0,0,1] -> [0,0,0,1]; [0,1,0] -> [0,0,0,1]; [0,1,1] -> [0,0,0,1]; [1,0,0] -> [1,0,0,0]; [1,0,1] -> [0,0,0,1]; [1,1,0] -> [0,1,0,0]; [1,1,1] -> [0,0,1,0]; end V043
2.3Monoflop
module monoflop monoflop device 'p16v8'; CLK pin 1; LD pin 2; D0, D1, D2, D3 pin 3, 4, 5, 6; Q0, Q1, Q2, Q3 pin 16, 17, 18, 19 istype 'reg'; A pin 15 istype 'com'; DDUAL = [D3,D2,D1,D0]; QDUAL = [Q3,Q2,Q1,Q0]; equations QDUAL.clk = CLK; when (!LD) then QDUAL := DDUAL; else when (QDUAL >= 1) then QDUAL := QDUAL - 1; else QDUAL := 0; A = Q0 # Q1 # Q2 # Q3; test_vectors ([CLK, LD, D3, D2, D1, D0, Q3, Q2, Q1, Q0] -> [Q3, Q2, Q1, Q0, A]) [.c., 0 , 0 , 0 , 1 , 1 ,.x.,.x.,.x.,.x.] -> [0 , 0 , 1 , 1 , 1]; [.c., 1 ,.x.,.x.,.x.,.x., 0 , 0 , 1 , 1 ] -> [0 , 0 , 1 , 0 , 1]; [.c., 1 ,.x.,.x.,.x.,.x., 0 , 0 , 1 , 0 ] -> [0 , 0 , 0 , 1 , 1]; [.c., 1 ,.x.,.x.,.x.,.x., 0 , 0 , 0 , 1 ] -> [0 , 0 , 0 , 0 , 0]; [.c., 0 , 0 , 0 , 1 , 1 , 0 , 0 , 0 , 0 ] -> [0 , 0 , 1 , 1 , 1]; end monoflop;
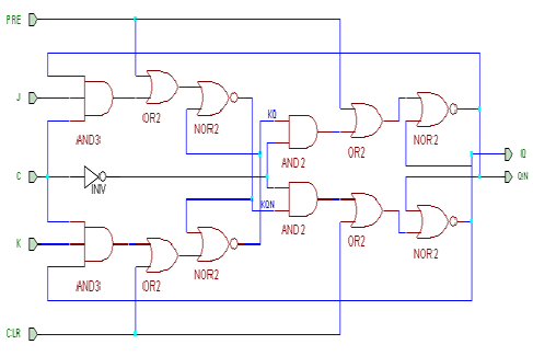
2.4JK-Master-Slave-FF beschrieben in ABEL


module JKFF Title 'JKFF' JKFF device 'P16V8'; declarations c,j,k,pre,clr pin2,3,4,5,6; Q,Qn pin 12,14 istype 'com'; Sm pin istype 'com'; Rm pin istype 'com'; qf pin istype 'com'; qfn pin istype 'com'; Ss pin istype 'com'; Rs pin istype 'com'; equations Sm = Qn & j & c; Rm = Q & k & c; qf = !Sm & !qfn; qfn = !Rm & !qf; Ss = qf & !c; Rs = qfn & !c; Q = !clr & !Ss & !Qn;! Qn = !pre & !Rs & !Q; end JKFF
Siehe auch •